SVARFORUM.cz - forum o svářečkách a svařování


Chcete-li přispívat do fóra, musíte se zaregistrovat !


Navštivte také:      SVAR INFO
Reklama na SVARFORUM

Nejste přihlášen(a)

SVARINFO - magazín o praktickém svařování


#26 16-10-2009 16:43:19

pandavid
Člen
Registrovaný: 10-10-2009
Příspěvky: 37

Re: Einhell svářečky CO2 - BT-GW 190 D schéma

ano, dobrovolně jsem rozebral 6 polohový přepínač, mě zajímalo jak to mají zjebané, debil jsme si ho předtím neproměřil, pak sem si drbal hlavu, složit ho už umím. Tady právě potřebuju vedět kterej kontak co spíná, bych je mohl správně  natočit, ať dobře spínaj co maj. Čili, kdo má funkční spínač prosím o proměření. Ať ho můžu složit a nastavit. pokus o další obrázek
http://www.svarforum.cz/forum/uploads/thumbs/1400_zapojeni_poepinaeu_a_vyvodu_trafa1.jpg

all, štětí padne na vola, klepne tě to jak na potvoru.

Editoval pandavid (16-10-2009 16:48:25)

Offline

 

#27 16-10-2009 16:54:20

jogi24
Člen
Registrovaný: 10-08-2007
Příspěvky: 164

Re: Einhell svářečky CO2 - BT-GW 190 D schéma

A typove oznacenie prepinaca? Ja mam doma gude 192/6k. Ak by sedel ten typ prepinaca,tak ti to mozem omerat,ale naskor az v pondelok.

Offline

 

#28 18-10-2009 14:55:43

pandavid
Člen
Registrovaný: 10-10-2009
Příspěvky: 37

Re: Einhell svářečky CO2 - BT-GW 190 D schéma

KENDE HZ8B-20/5/3
EN 60947-3  EN 60947-1
I the 20A Ui 690V
AC-21A 20A 690V
50/60Hz
All psal, že má 170, tam by to mělo bejt stejný, klidně měř taky.
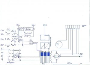
Tady jsme opět zkusil přerobit schéma bez řídící části a zapojení 6 pol. přepínače. Až ho někdo změří, přidám tam těch 6 čísel.
http://www.svarforum.cz/forum/uploads/thumbs/1400_uprava_schema_2.jpg
Jestli je to +- dobrý schéma, pak bych potřeboval poradit s řídící částí(deskou) v tom plavu silně.
dík

Editoval pandavid (18-10-2009 15:52:57)

Offline

 

#29 18-10-2009 18:16:20

alll
Člen
Místo: ...
Registrovaný: 12-09-2009
Příspěvky: 3595

Re: Einhell svářečky CO2 - BT-GW 190 D schéma

podivam se  na označeni spínace ale vim že pajšl svařečky je značky kende. ikdyz  mo je typ 170 a je na napetí 220 v.


Parkside Pmsg 200 A1/ kukla ESAB origotech.

Offline

 

#30 19-10-2009 12:46:53

pandavid
Člen
Registrovaný: 10-10-2009
Příspěvky: 37

Re: Einhell svářečky CO2 - BT-GW 190 D schéma

budiž kende, mrchy čínský, přepínač by měl bejt zapojenej snad stejně

Offline

 

#31 19-10-2009 20:49:22

hardworker
Člen
Registrovaný: 15-10-2009
Příspěvky: 3

Re: Einhell svářečky CO2 - BT-GW 190 D schéma

no neviem kam presne som to mal napisat  ale chcem sa opytat na jednu masinu uz ju mam objednanu zajtra pride len sa chcem opytat ci som nespravil kravinu ja vim ze to je dost skoro  no ale neva a hlavne ma zaujima ci pojde dobre zvarat tigom s nou. za odpovede vopred dakujem a potom to porovnam s mojimy vysledkami co zajtra spravim sak asi nepojdem ani do prace jak sa tesim na tu masinu. NIE JE TO REKLAMA

http://www.zvaracky-naradie.sk/zvaracka … t-280.html

Offline

 

#32 25-10-2009 08:18:43

pandavid
Člen
Registrovaný: 10-10-2009
Příspěvky: 37

Re: Einhell svářečky CO2 - BT-GW 190 D schéma

zdravíčko pánové, změřil mě někdo přepínač, prosím? dík

Offline

 

#33 25-10-2009 11:05:26

alll
Člen
Místo: ...
Registrovaný: 12-09-2009
Příspěvky: 3595

Re: Einhell svářečky CO2 - BT-GW 190 D schéma

zatim nebylo kdy  mam dosti prace, svarečkou normalne svaruji, ikdyz dratem 0,8 ale na plny vykon aby to trošku vařilo tak jak ma. ty Ampery co je udano na svarečce ani neodpovidaji ten drat by musel uhorivat na mensi stupen napeti. jinak mi kamoš doporučil pouzivat drat  do teto svařečky typu 0,6 na nej svarecka stačí.


Parkside Pmsg 200 A1/ kukla ESAB origotech.

Offline

 

#34 03-11-2009 18:13:03

pandavid
Člen
Registrovaný: 10-10-2009
Příspěvky: 37

Re: Einhell svářečky CO2 - BT-GW 190 D schéma

all, tak co, když to nejde nebyl by čas změřti přepínač?

Offline

 

#35 03-11-2009 19:49:00

corell+007
Člen
Registrovaný: 02-02-2009
Příspěvky: 16

Re: Einhell svářečky CO2 - BT-GW 190 D schéma

Tak pánové, mě by zajímalo schéma pouze desky + PS.Máte na to někdo náladu to kreslit ???????nebo odkaz někam kde by se to dalo stáhnout popř. jiné orig. schéma třeba DAGO MIG 160. Nejlépe. Děkuji


Vařím, vaříš, vaříme

Offline

 

#36 03-11-2009 20:03:48

alll
Člen
Místo: ...
Registrovaný: 12-09-2009
Příspěvky: 3595

Re: Einhell svářečky CO2 - BT-GW 190 D schéma

pandavid napsal(a):

all, tak co, když to nejde nebyl by čas změřti přepínač?

moc času jsem nemel, zatim pořad je prace dost delame rekonstrukci dilny a celkovy uklid zbytečnych kramu.


Parkside Pmsg 200 A1/ kukla ESAB origotech.

Offline

 

#37 04-11-2009 11:40:15

pandavid
Člen
Registrovaný: 10-10-2009
Příspěvky: 37

Re: Einhell svářečky CO2 - BT-GW 190 D schéma

corell 007 , někdo tu dával schéma einhell 150 i s řídíc částí, ale mě to teda nepřijde stejný, jako na einhell190
all, tak při úklidu zbytečých krámu, by stačilo povolit 8 šroubků + 6 šroubků, nu nic,  stále čekám.

Offline

 

#38 04-11-2009 21:17:19

alll
Člen
Místo: ...
Registrovaný: 12-09-2009
Příspěvky: 3595

Re: Einhell svářečky CO2 - BT-GW 190 D schéma

pandavid napsal(a):

corell 007 , někdo tu dával schéma einhell 150 i s řídíc částí, ale mě to teda nepřijde stejný, jako na einhell190
all, tak při úklidu zbytečých krámu, by stačilo povolit 8 šroubků + 6 šroubků, nu nic,  stále čekám.

nezapomente že nekaždý chodí i v dobe krize do prace delat 12cky tak potom neni ani chut neco montovat natož meřit.


Parkside Pmsg 200 A1/ kukla ESAB origotech.

Offline

 

#39 09-11-2012 14:52:02

abo
Člen
Registrovaný: 06-06-2011
Příspěvky: 13

Re: Einhell svářečky CO2 - BT-GW 190 D schéma

Zmeral niekto ten prepínač napätia? Mne sa vysypal.


Güde MIG 192/6 K s eurokonektorom, dofuk

Offline

 

#40 09-11-2012 17:11:48

abo
Člen
Registrovaný: 06-06-2011
Příspěvky: 13

Re: Einhell svářečky CO2 - BT-GW 190 D schéma

Poskladal som ho tak, aby sa privádzalo napatie z CN4 postupne na každý vodič ( cievku, nepoznám ako je zapojené vinutie ). Je to tak správne?


Güde MIG 192/6 K s eurokonektorom, dofuk

Offline

 

#41 13-11-2012 18:50:33

abo
Člen
Registrovaný: 06-06-2011
Příspěvky: 13

Re: Einhell svářečky CO2 - BT-GW 190 D schéma

Keby niekto mal rovnaký problém: Prepínač privádza postupne L1 na 1 až 6tý kontakt. Treba vypínač a vačky vyskladať tak, aby nedošlo k spojeniu niektorého z kontaktov.
PS: Rozobral som ho aj preto, že 3 matice mali strhnuté závity a 1 skrutka mala narezaný závit na krivo.
Zvára to dobre. Gude 192/6K


Güde MIG 192/6 K s eurokonektorom, dofuk

Offline

 

#42 20-03-2013 17:42:27

slavo35k
Člen
Registrovaný: 20-03-2013
Příspěvky: 4

Re: Einhell svářečky CO2 - BT-GW 190 D schéma

abo ja som tiež rozobral prepínač na mojej co-čke, lebo mi nešla na 220V. samozrejme som si ho zabudol zmerať. Ale predtým než sa mi rozbehol do všetkých strán, som stihol odfotiť prvú vačku. Z toho som potom vzdedukoval ako má byť poskladaný. Potom som povedal kamošovi elektrikárovi aby ho prišiel zapojiť, veď má predsa viac skúseností ss silnoprúdom ako ja. ja som iba slaboprúdár. Po postupnom zapájaní a meraní či nieje niečo v skrate sme sa odvážili to aj zapojiť do siete aby sme zistili čo ďalej. Darilo sa ná velmi dobre a preto sme pokračovali ďalej. zapojili sme dalšie kontakty na prepínači a merali. Po zapojení všetkých káblov na prepínač sme to vyskúšali a bežalo to ako nové. Prikladám aj schému kompletnej zváračky Einhel 192/6k. 
Dúfam, že Ti pomôže.

http://www.svarforum.cz/forum/uploads/thumbs/4670_dsc00435.jpg

ak s nezobrazil obrázok tak si z toho nič nerobte som tu prvý krát

Editoval slavo35k (20-03-2013 17:44:53)

Offline

 

#43 21-03-2013 06:54:48

bobobo
Člen
Registrovaný: 20-08-2009
Příspěvky: 4515

Re: Einhell svářečky CO2 - BT-GW 190 D schéma

Hm , ten obrázek je vskutku malý . V CADu dej exportovat např. na plochu a tento výsledek sem nahrej , nebo printscreenem dej do malování a vystřihni jen schema a udělej JPEG a ten sem dej .  http://www.svarforum.cz/forum/uploads/thumbs/1325_exportovat_cadcad.jpg

Editoval bobobo (21-03-2013 07:06:54)

Offline

 

#44 25-06-2014 19:30:35

kovi
Člen
Registrovaný: 22-02-2012
Příspěvky: 6

Re: Einhell svářečky CO2 - BT-GW 190 D schéma

Zdravím všetkých.Tiež mám problém s prepínačom na MIG 192/6k, ale s hlavným (je odmontovaný, sú len volné vodiče).  Ak má niekdo schému zapojenia prepínača, jeho typové označenie, ale ešte lepšie celú schému zváračky budem rád. Tu uvedené zapojenie je naozaj nečitatelné.

Offline

 

#45 26-06-2014 21:15:26

DavidCh
Člen
Místo: Karlovy Vary
Registrovaný: 23-05-2014
Příspěvky: 84

Re: Einhell svářečky CO2 - BT-GW 190 D schéma

Poslední příspěvek http://www.svarforum.cz/forum/viewtopic.php?id=5467 origo přepínač bych mohl sehnat.

Offline

 

#46 27-06-2014 07:36:32

bobobo
Člen
Registrovaný: 20-08-2009
Příspěvky: 4515

Re: Einhell svářečky CO2 - BT-GW 190 D schéma

Ten srážecí kondík pro elektroniku je sila . smile

Offline

 

#47 27-06-2014 18:30:05

DavidCh
Člen
Místo: Karlovy Vary
Registrovaný: 23-05-2014
Příspěvky: 84

Re: Einhell svářečky CO2 - BT-GW 190 D schéma

No jo, to je pravda, ale on tam ještě figuruje ten větrák který tam právě není nakreslen - při 400V funguje vinutí větráku jako trafo a napájí se to z odbočky 230V, takže na jednotce je 230V, ale pokud se větrák spálí, tak se to napájí jen přes ten kundík a na jednotce je cca 270V big_smile

Editoval DavidCh (27-06-2014 18:32:50)

Offline

 

#48 05-10-2015 20:08:50

Patrik1
Člen
Registrovaný: 05-10-2015
Příspěvky: 3

Re: Einhell svářečky CO2 - BT-GW 190 D schéma

Zdravím,

Mám problém se svářečkou Einhell BT-GW 190D.
Přestal fungovat přepínač 230V/400V. Je otočený na 230V a nejde s ním pohnout ani na polohu 0 ani na 400V.
Nejsem elektrikář, ale po opsání označení z přepínače jsem žádný podobný tomuto nikde nemohl najít. Proto se ptám, jestli se dá někde vůbec sehnat. Nechce se mi přepínač rozebírat, dokud nemám jistotu, že seženu jiný.

Mockrát děkuji

Offline

 

#49 07-10-2015 17:13:25

DavidCh
Člen
Místo: Karlovy Vary
Registrovaný: 23-05-2014
Příspěvky: 84

Re: Einhell svářečky CO2 - BT-GW 190 D schéma

Je vyhřátej a uvnitř asi i rozpadlej, rozhejbat jde málokdy. Měl by to být tenhle
http://s10.postimg.org/mlygfy0z9/902_163236.jpg

Sehnatelný to je určitě.

Editoval DavidCh (07-10-2015 17:13:46)

Offline

 

#50 07-10-2015 17:29:40

varok
Člen
Místo: Havířov
Registrovaný: 20-11-2009
Příspěvky: 8891

Re: Einhell svářečky CO2 - BT-GW 190 D schéma

DavidCh: nemáte na obrázku přepínač sv. stupňů? Má to nějak moc kontaktů.


Omicron GAMA 1900L HF, Omicron GAMASTAR 176L, kukla BOHLER Guardian 62

Offline

 

Zápatí

O SvarFóru + Pravidla

Powered by PunBB

SVARFORUM diskusní fórum o svářečkách, svářečích a svařování kovů i plastů.
Ze skupiny SVARWEB - portál vašeho svařování.   2005 Notice: Use of undefined constant Y - assumed 'Y' in /DISK2/WWW/svarforum.cz/www/forum/footer.php on line 139  -  2026


Doporučujeme:  Dětské montérky a maskáče